光纤旋转接头又称光纤滑环,光电汇流环,采用光纤为数据传输媒体,为解决旋转连接的系统部件之间的数据传输,提供了最佳的技术解决方案。
光纤旋转接头又称光纤滑环,光电汇流环,采用光纤为数据传输媒体,为解决旋转连接的系统部件之间的数据传输,提供了最佳的技术解决方案。





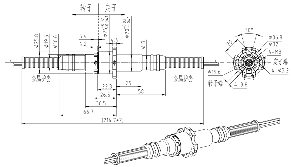
JSG002-7型多路光滑环特点:
光纤旋转接头又称光纤滑环,光电汇流环,采用光纤为数据传输媒体,为解决旋转连接的系统部件之间的数据传输,提供了佳的技术解决方案。特别适合应用在需要无限制的,连续或断续旋转,同时又需要从固定位置到旋转位置传送大容量数据、信号的场所,能改善机械性能,简化系统操作,避免因活动关节的旋转对出光纤的损害。可以与传统的导电滑环、气液滑环配合使用,作成光电液混合汇流环,传送功率和高速数据。
单模,多模可选
光纤接头可选 FC, SC, ST, LC (PC and APC)
支持大容量数据传输
抗电磁干扰
可与电、气、液、混合传输
插入损耗小,转速高
无接触、无摩擦,寿命长,寿命可达2亿转

JSG002-7型多路光滑环技术规格参数:
通路数 | 2-7路可选 |
光纤类型 | 9/125(单模)、50/125(多模、)62.5/125(多模) |
工作波长 | 650-1650nm |
大插损(常温) | ≤3.5dB |
插损波动 | ≤1.5dB |
回波损耗 | ≥40dB |
承受功率 | ≤23dB |
高转速 | 300rpm |
预估寿命 | 1亿转 |
工作温度 | -20~60℃(-40~85℃)可选 |
封装形式 | 0.9mm、2.0mm铠装、3.0mm铠装 |
接头形式 | FC、SC、ST、LC (PC、APC) |
光纤长度 | 1米(客户要求) |
地 址:山东省枣庄市滕州市北辛街道红荷路国际物流园F栋
市场部:0632-5659366 5619366 5652866
销售部:刘经理 187-6666-7790
王经理 183-6379-3666
138-6943-3009
技术部:0632-5652399
外贸部:0632-5829399
邮 箱:tzjiangsheng@163.com