
过孔式导电滑环是中心带孔的一系列导电滑环的统称,主要用于传输精密信号、微弱电流、大电流、高电压;
过孔式导电滑环是中心带孔的一系列导电滑环的统称,主要用于传输精密信号、微弱电流、大电流、高电压;





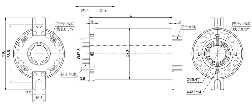
JST2578系列标准过孔导电滑环特点:
主要给气液管道通过或旋转电机轴式安装而设计,如游乐行业,旋转门,旋转广告牌、包装机械、灌装设备、工业机器加工中心、旋转工作台、重型设备塔台、电缆卷盘、包装设备、堆垛机等。
采用先进的贵金属簇刷式多点接触,在极低的摩擦力下保证接触可靠
通孔直径从 5mm 到 60mm
标准化产品,有库存
多触点刷丝和平环的匹配设计,高寿命合金摩擦副,具有优良的电气接触特性和自润滑性能
支持信号,功率混合传输
可基于标准型号定制电路数和电流电压
结构件全部模具成型,选用阻燃高强度工程塑料,传输可靠稳定性价比高。

注:内径大小可根据客户要求增加衬套来满足需求尺寸
JST2578系列标准过孔导电滑环选型表:
型号 | 长度Lmm | 25A | 18A | 10A | 5A | 总环数 |
JST2578006-01 | 53.5 | 6 | 6 | |||
JST2578006-02 | 53.5 | 6 | 6 | |||
JST2578006-03 | 53.5 | 6 | 6 | |||
JST2578006-04 | 53.5 | 12 | 12 | |||
JST2578012-01 | 77.5 | 6 | 12 | 18 | ||
JST2578012-02 | 77.5 | 6 | 12 | 18 | ||
JST2578012-03 | 77.5 | 6 | 12 | 18 | ||
JST2578012-04 | 77.5 | 12 | 12 | |||
JST2578012-05 | 77.5 | 12 | 12 | |||
JST2578012-06 | 77.5 | 12 | 12 | |||
JST2578012-07 | 77.5 | 24 | 24 | |||
JST2578018-01 | 101.5 | 6 | 24 | 30 | ||
JST2578018-02 | 101.5 | 6 | 24 | 30 | ||
JST2578018-03 | 101.5 | 6 | 24 | 30 | ||
JST2578018-04 | 101.5 | 12 | 12 | 24 | ||
JST2578018-05 | 101.5 | 12 | 12 | 24 | ||
JST2578018-06 | 101.5 | 12 | 12 | 24 | ||
JST2578018-07 | 101.5 | 18 | 18 | |||
JST2578018-08 | 101.5 | 18 | 18 | |||
JST2578018-09 | 101.5 | 16 | 18 | |||
JST2578018-10 | 101.5 | 36 | 36 | |||
JST2578024-01 | 125.5 | 6 | 36 | 42 | ||
JST2578024-02 | 125.5 | 6 | 36 | 42 | ||
JST2578024-03 | 125.5 | 6 | 36 | 42 | ||
JST2578024-04 | 125.5 | 12 | 24 | 36 | ||
JST2578024-05 | 125.5 | 12 | 24 | 36 | ||
JST2578024-06 | 125.5 | 12 | 24 | 36 | ||
JST2578024-07 | 125.5 | 18 | 12 | 34 | ||
JST2578024-08 | 125.5 | 15 | 12 | 27 | ||
JST2578024-09 | 125.5 | 24 | 24 | |||
JST2578024-10 | 125.5 | 20 | 20 | |||
JST2578024-11 | 125.5 | 48 | 48 | |||
注:1、电流大小和环路数并不局限于表中所列,可以任意匹配,具体可咨询江晟技术客服。 2、理论上可并线使用从而使载流量电流叠加,但须使用同一规格导线且线长相同,否则会导致电流不均烧坏产品,并线使用前请咨询江晟技术服务。 | ||||||
JST2578系列标准过孔导电滑环技术规格参数:
电气技术指标 | ||||
电流 | 功率环 | 信号环 | ||
额定电压 | 0-440VAC/DC | 0-220VAC/DC | ||
绝缘电阻 | ≥1000MΩ/500VDC; | ≥500MΩ/500VDC; | ||
绝缘强度 | ≥1000VAC@50Hz60s | ≥500VAC@50Hz60s | ||
动态电阻变化值 | ≤0.01Ω | ≤0.01Ω | ||
导线规格 | 1mm²/10A,2mm²/18A,3mm²/25A,4mm²/32A全铜镀锡导线 | 0.35mm²镀银铁氟龙线 | ||
导线长度 | 标准长度0.3米(可据客户要求做任意长度) | |||
机械技术指标 | ||||
产品等级 | VC(通用级) | VD(工业级) | VH(高端级) | |
工作寿命 | 4000万转 | 8000万转 | 1.2亿转 | |
额定转速 | 300RPM | 800RPM | 1500RPM | |
接触材料 | 银合金 | 镀金 | 金合金 | |
工作温度 | -30℃~80℃ | |||
工作湿度 | 0~85% RH | |||
整体结构材料 | 工程塑料 | 工程塑料/铝合金 | 铝合金 | |
防护等级 | IP54 | |||
地 址:山东省枣庄市滕州市北辛街道红荷路国际物流园F栋
市场部:0632-5659366 5619366 5652866
销售部:刘经理 187-6666-7790
王经理 183-6379-3666
138-6943-3009
技术部:0632-5652399
外贸部:0632-5829399
邮 箱:tzjiangsheng@163.com