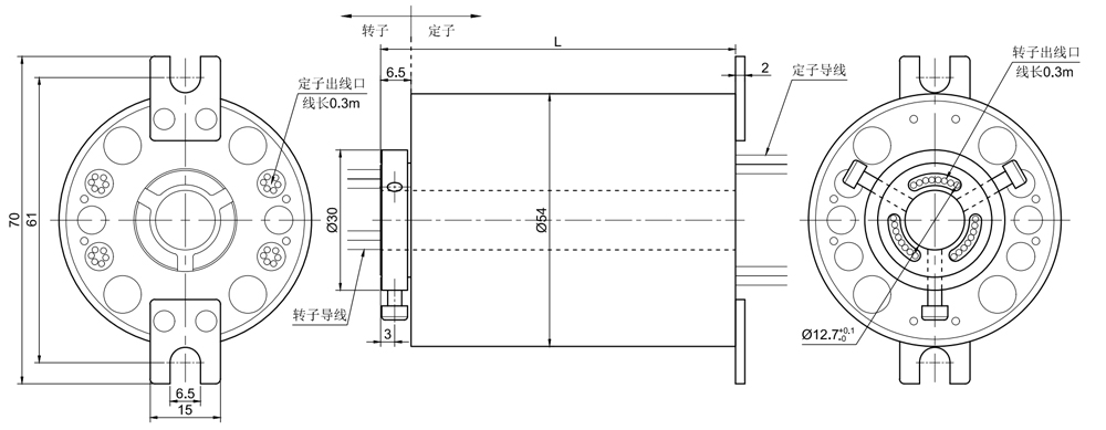
过孔式导电滑环是中心带孔的一系列导电滑环的统称,主要用于传输精密信号、微弱电流、大电流、高电压;
过孔式导电滑环是中心带孔的一系列导电滑环的统称,主要用于传输精密信号、微弱电流、大电流、高电压;





JST1254系列标准过孔导电滑环特点:
主要给气液管道通过或旋转电机轴式安装而设计,如游乐行业,旋转门,旋转广告牌、包装机械、灌装设备、工业机器加工中心、旋转工作台、重型设备塔台、电缆卷盘、包装设备、堆垛机等。
采用先进的贵金属簇刷式多点接触,在极低的摩擦力下保证接触可靠
通孔直径从 5mm 到 60mm
标准化产品,有库存
多触点刷丝和平环的匹配设计,高寿命合金摩擦副,具有优良的电气接触特性和自润滑性能
支持信号,功率混合传输
可基于标准型号定制电路数和电流电压
结构件全部模具成型,选用阻燃高强度工程塑料,传输可靠稳定性价比高。

注:内径大小可根据客户要求增加衬套来满足需求尺寸
JST1254系列标准过孔导电滑环选型表:
型号 | 长度Lmm | 环路数 | 电流电压 |
JST1254A002 | 26.6 | 2 | 电流3A,电压110V |
JST1254A004 | 29.6 | 4 | |
JST1254A006 | 32.6 | 6 | |
JST1254A008 | 35.6 | 8 | |
JST1254A012 | 41.6 | 12 | |
JST1254A018 | 50.6 | 18 | |
JST1254A024 | 59.6 | 24 | |
JST1254A030 | 68.6 | 30 | |
JST1254A035 | 76.1 | 35 | |
JST1254002 | 27.5 | 2 | 电流5A,电压380V |
JST1254004 | 31.9 | 4 | |
JST1254006 | 36.3 | 6 | |
JST1254008 | 40.7 | 8 | |
JST1254012 | 49.5 | 12 | |
JST1254018 | 62.7 | 18 | |
JST1254024 | 75.9 | 24 | |
注:电流大小和环路数并不局限于表中所列,可以任意匹配,具体可咨询江晟客服。
| |||
JST1254系列标准过孔导电滑环技术规格参数:
电气技术指标 | |||||
电流 | 5A | 3A | |||
额定电压 | 0-380VAC/DC | 0-110VAC/DC | |||
绝缘电阻 | ≥1000MΩ/500VDC; | ≥500MΩ/250VDC; | |||
绝缘强度 | ≥800VAC@50Hz60s | ≥250VAC@50Hz60s | |||
动态电阻变化值 | ≤0.01Ω | ≤0.01Ω | |||
导线规格 | 0.35mm²镀银铁氟龙 | 0.2mm²镀银铁氟龙 | |||
导线长度 | 标准长度0.3米(可据客户要求做任意长度) | ||||
机械技术指标 | |||||
产品等级 | VC(通用级) | VD(工业级) | VH(级) | ||
工作寿命 | 4000万转 | 8000万转 | 1.2亿转 | ||
额定转速 | 300RPM | 800RPM | 1500RPM | ||
接触材料 | 银合金 | 镀金 | 金合金 | ||
工作温度 | -30℃~80℃ | ||||
工作湿度 | 0~85% RH | ||||
整体结构材料 | 工程塑料 | 工程塑料/铝合金 | 铝合金 | ||
防护等级 | IP54 | ||||
地 址:山东省枣庄市滕州市北辛街道红荷路国际物流园F栋
市场部:0632-5659366 5619366 5652866
销售部:刘经理 187-6666-7790
王经理 183-6379-3666
138-6943-3009
技术部:0632-5652399
外贸部:0632-5829399
邮 箱:tzjiangsheng@163.com