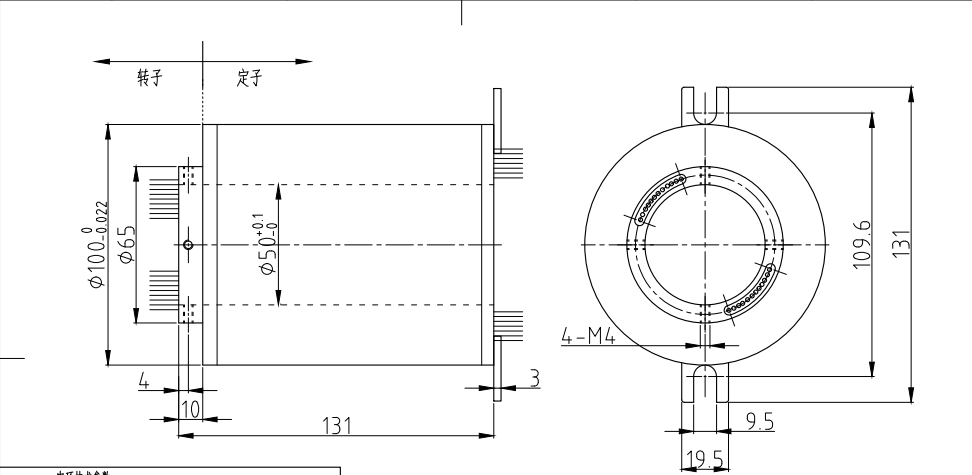
防爆导电滑环主要用于有设备需要防爆要求的行业,如化工、医药、干燥、煤矿等行业,主要用于旋转传输电流、信号,具有低扭矩、低噪音、高防护、信号传输稳定、超长寿命、免维护等特点
防爆导电滑环主要用于有设备需要防爆要求的行业,如化工、医药、干燥、煤矿等行业,主要用于旋转传输电流、信号,具有低扭矩、低噪音、高防护、信号传输稳定、超长寿命、免维护等特点





设计防爆滑环和安装使用防爆滑环时候应特别注意以下几点:
1)大直径电缆引入装置,防拔脱装置的合理利用。
2)隔爆型外壳的壁厚和拉筋的合理利用,采用拉筋并不完全等于减少壁厚。需注意避免壳体内部设计结构曲线的突变,
3)导电滑环元件的合理布局优化内部散热,避免发热集中
4)用于防护的密封圈应采取安全措施,防止脱落。
5)非金属外壳表面避免点燃的静电电荷产生。
防爆滑环主要用在容易引起爆炸的设备上,能有效的克服坏境的影响,使得设备能安全实现360旋转。江晟机械防爆滑环合理的结构设计和科学的工艺保证滑环的可靠性和隐定性生能够从根源上杜绝爆炸或火灾等事故。


地 址:山东省枣庄市滕州市北辛街道红荷路国际物流园F栋
市场部:0632-5659366 5619366 5652866
销售部:刘经理 187-6666-7790
王经理 183-6379-3666
138-6943-3009
技术部:0632-5652399
外贸部:0632-5829399
邮 箱:tzjiangsheng@163.com